Электродвигатель АИР71А2
Двигатели АИР71а2 — оборудование унифицированной серии. Считаются наиболее распространенными в разных областях промышленности благодаря значительной эксплуатационной надежности, сравнительно доступной стоимости и простой конструкции.
В моделях АИР71а2 отсутствуют подвижные контакты. Оборудование отличает хорошая ремонтопригодность. Оно активно используется не только в промышленной сфере, но и в сельском хозяйстве. Двигателями этой модели оборудуются станки, компрессоры, насосы, конвейерные установки, вентиляторы и пр.
Особенности конструкции двигателей АИР 71 А2
По умолчанию электродвигатель имеет следующие характеристики:
- рассчитан на напряжение в 220/380 В (в коробке выводов имеется 6 клемм);
- может эксплуатироваться при температуре окружающей среды от -20C° до +40C°;
- имеет III категорию размещения (для использования в закрытых помещениях, где климатические условия дополнительно не регулируются);
- допускается продолжительный режим работы в соответствии с ГОСТ 183-74 при условии, что стабильность и нагрузка будут оставаться неизменными.
Модели АИР 71 а2 защищены от попадания пыли и влаги (степень защиты IP54). Максимальная температура нагрева обмотки может составлять не более 150 C°, что соответствует классу нагревостойкости F.
Во избежание перегрева оборудования во время продолжительной работы в конструкции используется станина, оснащенная продольными ребрами охлаждения снаружи. Внешний центробежный вентилятор подает на станину направленный поток воздух в целях охлаждения. Сам вентилятор закрыт защитным кожухом и находится на противоположной от привода стороне. Безопасен в эксплуатации.
Вся конструкция устройства, а также основные способы его установки описаны в ГОСТ 2479-79.
В зависимости от типа монтажа различают модели АИР71 А2:
- фланцевые;
- фланцевые с закрытым на обратной стороне доступом;
- на лапах;
- комбинированные устройства (лапы и фланец).
Преимущества электродвигателей серии АИР 71 а2
- Непродолжительные механические перегрузки не приведут к выходу двигателя из строя (предусмотрены производителем).
- Простая конструкция обеспечивает легкость монтажа оборудования, его последующую эксплуатацию и автоматизацию.
- Двигатель позволяет гарантировать постоянную скорость работу оборудования даже при изменении нагрузки.
- Точность конструкции обеспечивает высокие показатели КПД.
- Уровень шума оборудования не превышает 55 дБ. Показатель получен благодаря использованию высокоточных прочных подшипников конструкции.
- Исключен риск попадания под корпус пыли и влаги.
- Уровень реактивных токов составляет не более 0,86 cosφ, из-за чего можно не опасаться возникновения перенапряжения в общей сети.
- Кратность пусковых моментов двигателя увеличена, что гарантирует надежность его работы в случае спонтанных перегрузок.
Корпус двигателя отлит из прочного серого чугуна.
Производитель рекомендует использовать специальный козырек при эксплуатации оборудования на открытом пространстве во избежание попадания влаги (снега, дождя), а также негативного воздействия открытых солнечных лучей.
Технические характеристики АИР71А2
| Модель двигателя | Напряжение, В | In,А | Iп/Iн | Частота вращения, об/мин | Мп/Мн | Cos φ | КПД % | Мощность, кВт | Mmax/Mн |
|---|---|---|---|---|---|---|---|---|---|
| АИР 71 А2 | 220В | 1,31 А | 5,0 | 2840 | 2,2 | 0,83 | 75,0 | 0,75кВт | 2,3 |
| 380В | 1,31 А |
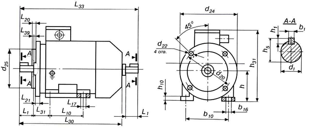
Габаритно-присоединительные размеры
Габаритные размеры АИР71А2 исп. 2081(комбинированный)

Габаритные размеры АИР71А2 исп. 1081(на лапах)

Габаритные размеры АИР71А2 исп. 3081(фланец)

| Эл.двигатель | Число полюсов | Размеры, мм | ||||||||||||||
|---|---|---|---|---|---|---|---|---|---|---|---|---|---|---|---|---|
| d1 | d10 | d24 | d22 | d25 | l31 | l30 | h31 | d20 | l1 | h | g | n | l10 | b10 | b1 | |
| АИР 71 А2 | 2 | 19 | 7 | 200 | 4х12 | 130 | 45 | 270 | 195 | 165 | 40 | 71 | 15,5 | 90 | 112 | 5 |
Условные обозначения электродвигателей АИР

АИР 71 А2 — промышленный асинхронный трехфазный электродвигатель с короткозамкнутым ротором.
1) АИ – серия (тип) двигателя;
Р – вариант привязки мощности данного двигателя к установочным размерам по ГОСТу;2) 355 – высота оси вращения электродвигателя в соответствии с ГОСТ13267 (габарит электродвигателя, который равен расстоянию от низ лам до центра вала в мм);
3) S, L, М — установочные размеры по длине станины;
А, В, С – длина сердечника и/или длина станины двигателя (первая, вторая и третья длина соответственно);
4) Количество полюсов двигателя АИР (2, 4, 6, 8, 10, 12, 4/2, 6/4, 8/4, 8/6, 12/4, 12/6, 6/4/2, 8/4/2, 8/6/4, 12/8/6/4 и др.)
5 Климатическое исполнение двигателя по ГОСТ15150 — У, Т, УХЛ, ХЛ, ОМ.
— cтепень защиты — IP54и -IP55
— категория размещения по ГОСТ 15150-69
— электрическая и конструктивная модификация
Электродвигатели 4А, 4АМ — габаритно-присоединительные размеры
| Марка двигателя |
Число пар полюс. |
Габаритные размеры, мм |
Установочные и присоединительные размеры, мм |
Масса, кг | ||||||||||
| l30 | h31 | d30 | b31 | l1 | l10 | l31 | d1 | d10 | b10 | h | ||||
| 4АА50 | 4ААМ50 | 2, | 176 | 142 | 112 | 20 | 63 | 32 | 9 | 5,8 | 80 | 50 | 3,3/3 | |
| 4АА56 | 4ААМ56 | 2,4 | 194 | 152 | 128 | 23 | 71 | 36 | 11 | 5,8 | 90 | 56 | 4,5/4,3 | |
| 4АА63 | 4ААМ63 | 2-6 | 216 | 164 | 138 | 30 | 80 | 40 | 14 | 7 | 100 | 63 | 6,3/6,1 | |
| 4А71 | 4АМ71 | 2-8 | 285 | 201 | 170 | 40 | 90 | 45 | 19 | 7 | 112 | 71 | 15,1/14 | |
| 4А80А | 4АМ80А | 2-8 | 300 | 218 | 186 | 50 | 100 | 50 | 22 | 10 | 125 | 80 | 17/17,1 | |
| 4А80В | 4АМ80В | 2-8 | 320 | 20/19,5 | ||||||||||
| 4А90L | 4АМ90L | 2-8 | 350 | 243 | 208 | 125 | 56 | 24 | 140 | 90 | 28,7/25 | |||
| 4А100S | 4АМ100S | 2-4 | 365 | 265 | 235 | 60 | 112 | 63 | 28 | 12 | 160 | 100 | 36/34,6 | |
| 4А100L | 4АМ100L | 2-8 | 395 | 280 | 140 | 42/40,5 | ||||||||
| 4А112М | 4АМ112М | 2-8 | 452 | 310 | 260/247 | 80 | 140 | 70 | 32 | 190 | 112 | 56/54 | ||
| 4А132S | 4АМ132S | 4-8 | 480 | 350 | 302/247 | 89 | 38 | 216 | 132 | 77/72 | ||||
| 4А132М | 4АМ132М | 2-8 | 530 | 302/290 | 178 | 93/90 | ||||||||
| 4А160S | 4АМ160S | 2 | 624/637 | 430 | 358 | 110 | 178 | 108 | 42 | 15 | 254 | 160 | 130 | |
| 4-8 | 48 | 135 | ||||||||||||
| 4А160М | 4АМ160М | 2 | 667/680 | 210 | 42 | 145 | ||||||||
| 4-8 | 48 | 160 | ||||||||||||
| 4А180S | 4АМ180S | 2 | 662 | 470 | 410 | 203 | 121 | 48 | 15 | 279 | 180 | 165 | ||
| 4-8 | 55 | 175 | ||||||||||||
| 4А180М | 4АМ180М | 2 | 702/662 | 241 | 48 | 185 | ||||||||
| 4-8 | 702/662* | 55 | 195 | |||||||||||
| 4А200М | 4АМ200М | 2 | 760/715 | 535 | 450 | 267 | 133 | 60 | 19 | 318 | 200 | 255/250 | ||
| 4-8 |
790/745 ** |
140 | 270 | |||||||||||
| 4А200L | 4АМ200L | 2 | 800/760 | 110 | 305 | 55 | 280/275 | |||||||
| 4-8 |
830/790 *** |
140 | 60 | 310/300 | ||||||||||
| 4А225М | 4АМ225М | 2 | 810 | 575 | 494 | 110 | 311 | 149 | 55 | 356 | 225 | 355/350 | ||
| 4-8 |
840/810 **** |
140 | 65 | 355 | ||||||||||
| 4А250S | 4АМ250S | 2 | 915 | 640 | 554 | 168 | 24 | 406 | 250 | 470 | ||||
| 4-8 |
915/855 ***** |
75 | 490 | |||||||||||
| 4А250М | 4АМ250М | 2 |
955 ****** |
349 | 65 | 510 | ||||||||
| 4-8 | 75 | 535 | ||||||||||||
| 4А280S | 4АМ280S | 2 | 1140 | 700 | 660 | 535 | 140 | 368 | 190 | 70 | 24 | 457 | 280 | 785 |
| 4-10 | 1170 | 170 | 80 | |||||||||||
| 4А280М | 4АМ280М | 2 | 1180 | 140 | 419 | 70 | 835 | |||||||
| 4-10 | 1210 | 170 | 80 | |||||||||||
| 4А315S | 4АМ315S | 2 | 1225 | 765 | 690 | 540 | 140 | 406 | 216 | 75 | 28 | 508 | 315 | 875 |
| 4-12 | 1255 | 170 | 90 | |||||||||||
| 4А315М | 4АМ315М | 2 | 1285 | 710 | 140 | 457 | 75 | 1100 | ||||||
| 4-12 | 1315 | 170 | 90 | |||||||||||
| 4А355S | 4АМ355S | 2 | 1350 | 855 | 795 | 610 | 170 | 500 | 254 | 85 | 610 | 355 | 1355 | |
| 4-12 | 1400 | 210 | 100 | |||||||||||
| 4А355М | 4АМ355М | 2 | 1410 | 170 | 560 | 85 | 1570 | |||||||
| 4-12 | 1450 | 210 | 100 | |||||||||||
| * — для электродвигателя 4АМ180М4, l30=702 мм. | ||||||||||||||
| ** — для электродвигателя 4АМ200М4, l30=790 мм. | ||||||||||||||
| *** — для электродвигателя 4АМ200L4, l30=830 мм. | ||||||||||||||
| **** — для электродвигателя 4АМ225М4, l30=840 мм. | ||||||||||||||
| ***** — для электродвигателя 4АМ250S4, l30=915 мм. | ||||||||||||||
| ****** — для электродвигателя 4АМ250М6, 4АМ250М8 l30=915 мм. |
Применение и условия эксплуатации электродвигателей основного исполнения.
Асинхронные двигатели серии 4А, 4АМ основного исполнения предназначались для работы от сети трехфазного переменного тока частотой 50 Гц.
Нормальные значения климатических факторов внешней среды принимаются в соответствии с ГОСТ 15543-70, при этом запыленность воздуха не должна быть более 10 мг/м.куб. для электродвигателей со степенью защиты IP44 климатических исполнений У2, УЗ, УХЛ4 и более 2 мг/м.куб. для двигателей со степенью защиты IP23.
Двигатели в диапазоне мощностей:
— от 0,06 до 0,37 кВт изготавливались на напряжения 220 и 380 В:
— от 0,55 до 11 кВт — 220, 380 и 660 В;
— от 15 до 110 кВт — 220/380 и 380/660 В;
— от 132 до 400 кВт — 380/660 В.
Двигатели мощностью до 11 кВт выпускались с тремя, а по заказу потребителям — шестью выводными концами. Соединение обмотки треугольник или звезда.
Двигатель мощностью выше 15 кВт изготовляют с шестью выводными концами. Соединение обмотки — треугольник или звезда.
Показатели надежности АД: средний срок службы — не менее 15 лет при наработке 4000 ч, средний срок службы до первого капитального ремонта — 8 лет при наработке 20 000 ч; вероятность безотказной работы — не менее 0,9 за 10000 ч.
Электродвигатели Vilmann AZE (АИР71А2) 0.75кВт 3000 об. 220/380В

Похожие модели
Промышленные вентиляторы
Регуляторы частоты
✎ Описание двигателя Vilmann AZE АИР 71 А2 0.75кВт
Асинхронные электрические двигатели Vilmann общепромышленного назначения изготавливаются в основном (базовом) исполнении:
- монтажное исполнение IM1081 (на лапах)
- климатическое исполнение УХЛ2
- режим работы – продолжительный, S1
Двигатель AZE 0,75кВт (АИР71А2) имеет возможность работы при напряжении питания 220В или 380В при подключении по схеме звезда и схеме треугольник.
Все двигатели компании Vilmann согласно европейским нормам соответствуют классу энергоэффективности EFF 2.
✎ Защита двигателя AZE (АИР71А2) 3000 об/мин
В обмотках двигателя размещены элементы Clixon (термоконтакты) с нормально замкнутыми контактами, обеспечивающими защиту от перегрева.
✎ Особенности электродвигателя Vilmann АИР 63А2
- Номинальная мощность – 0.75кВт
- Частота вращения – 3000 об/мин
- Напряжение питания – 230В/400В
- Степень защиты – IP54
- Категория изоляция – F
- Режим работы – S1
- Защита двигателя – Clixon 17AM
- Окраска RAL5005
| Общие характеристики Vilmann AZE (АИР71А2) 0.75кВт | |
|---|---|
| Тип двигателя | AZE (АИР 71А2) |
| Степень защиты | IP54 |
| Категория изоляции | F |
| Режим работы | S1 |
| Защита | Clixon 17AM |
| Окраска | RAL5005 |
| Максимальная температура воздуха | 40°C |
| Максимальная высота над уровнем моря | 1000 м |
| Электрические характеристики двигателя Vilmann AZE (АИР71А2) 0.75кВт | |
|---|---|
| Номинальная мощность | 0,75 кВт |
| Частота вращения | 3000 об/мин |
| Напряжение питания | 230В / 400В |
| Схема подключения | Δ / Y |
| Частота тока | 50 Гц |
Описание двигателя Vilmann AZE АИР71А2 0.75кВ, 3000 об.мин
Асинхронные двигатели Vilmann используются для привода вентиляционного оборудования, насосов, промышленных вентиляторов, компрессорных установок, станков, эскалаторов и многих других машин.
- Vilmann АИР 71 А2 – асинхронный двигатель, расстояние от оси вращения до плоскости крепления 71 мм.
АИР – асинхронный электродвигатель
71 – тип двигателя (расстояние от оси вращения до плоскости крепления в мм)
А – установочный размер по длине станины;
2 – число полюсов (отвечает за кол-во оборотов ротора до 3000 об/мин)
Режим работы S1 – продолжительный (работа двигателя при неизменной нагрузке достаточно длительное время для достижения неизменной температуры всех его частей).
Вид климатического исполнения УХЛ2 – объединение умеренного и холодного макроклиматических районов (–60…+40 С°), под навесом или в помещении, где условия такие же, как на открытом воздухе, за исключением солнечной радиации, атмосферных осадков;
Степень защиты IP 54 – защита от попадания пыли и водяных брызг.
Защита двигателя Vilmann AZE (АИР71А2) в аварийных режимах
Цепь термоконтактов обеспечивает надежную и точную защиту при перегреве, в случае перегрузки, обрыва фазы и т.п. Согласно требованиям IEC/EN 60034-11 у двигателей с категорией изоляции F температура срабатывания защиты при установившемся режиме должна быть равна 140°C.
Двигатели со степенью защиты IP54 выполнены в закрытом обдуваемом исполнении, обеспечивающим продолжительную безотказную работу.
Габаритные размеры двигателя Vilmann AZE (АИР71А2) 0.75kW 3000 о/м

| Габаритные размеры электродвигателя AZE АИР 71А2 0.75kW | |||||
|---|---|---|---|---|---|
| Тип двигателя | Число полюсов | Габаритные размеры, мм | |||
| L30 | L33 | h31 | d24 | ||
| АИР71 | 2;4;6;8 | 272.5 | 316.5 | 188 | 200 |
| Установочные и присоединительные размеры АИР71А2 0.75кВт, мм | ||||||||||||||||||
|---|---|---|---|---|---|---|---|---|---|---|---|---|---|---|---|---|---|---|
| L1 | L2 | L10 | L31 | d1 | d2 | d10 | d20 | d22 | d25 | b1 | b2 | b10 | h1 | h2 | h5 | h6 | h10 | h |
Схема подключения обмоток двигателя Vilmann AZE (АИР71А2) 0.75кВт

Соединение обмоток в “звезду”(Y) и “треугольник”(Δ)
Подключения «звезда» позволяет электродвигателю работать плавнее и мягче. Но при данном способе подключения двигатель не работает в полную мощность.
Подключение по схеме «треугольник» позволяет двигателю быстро выйти на максимальную рабочую мощность. КПД электродвигателя максимально возможное (как указано в техпаспорте). Но у такой схемы соединения есть недостаток: большие пусковые токи. Для уменьшения значения токов применяют регуляторы оборотов (преобразователи частоты), позволяя осуществить более плавный пуск двигателя, а в некоторых случаях сэкономить электроэнергию.
Подключение треугольником электродвигателя АИР71А2 используется в том случае, если двигатель нужно подключить к сети 220В вместо 380В
ВНИМАНИЕ! Подключать трехфазный электродвигатель по схеме “треугольник” нужно только через конденсатор. Потеря мощности при этом составляет порядка 35%
Трёхфазный электродвигатель Вилман можно подключить к однофазной сети на 220В.
голоса
Рейтинг статьи
Электродвигатель АИР 280 М8

- Диаметр вала — 80 мм;
- Варианты монтажа: на лапах, фланцевый, комбинированный
- Тип климатического исполнения — У3, У2;
- Напряжение питающей сети 220/380В;
- Заводская гарантия — 12 месяцев.
- Технические характеристики
- Габаритные и присоединительные размеры
- Как заказать
Технические характеристики электродвигателя АИР 280 M8 75 кВт х 750 об.
| Двигатель | Мощность,кВт | Частота вращения,об/мин | Напряжение,В | Типподключения | Степень защитыIP | Диаметрвала, мм | Исполнение | Масса,кг |
| АИР 280 M8 | 75 | 750 | 380 | Трехфазный | 54 | 80 | IM 1081 (на лапах)IM 2081 (комби)IM 3081 (фланец) | 670 |
Электродвигатель АИР 280 М8 — асинхронный трехфазный двигатель, с короткозамкнутым ротором, имеет прочный корпус из чугуна или алюминия. Степень защиты IP54. Преимущества: простота конструкции, низкий уровень шума, лёгкость управления и пуска, КПД до 75%, высокая надежность при коротких перегрузках.
Для защиты электродвигателя от замыкания и перегрузок рекомендуем: — Автоматический выключатель Schneider Electric — Трёхполюсной контактор Schneider Electric
Условные обозначения электродвигателя
- А — асинхронный двигатель
- И — разработка по лицензии Интерэлектро (организация СЭВ, разработавшая серию двигателей и действующая в рамках международного сообщества)
- Р — привязка к мощности согласованных размеров согласно стандарту РС3031-71 (страны СНГ)
- 280 — габарит двигателя (высота оси вращения, в мм)
- А (В, S, L, M) — установочный размер по длине станины
- 2 (4, 6,
— число полюсов - У — климатическое исполнение
- 3 — категория размещения
Габаритные, установочные и присоединительные размеры электродвигателя АИР 280 M8
| Двигатель | Габаритные размеры | Установочные и присоединительные размеры, мм | ||||||||||||||||||||||||
| l30 | l33 | h31 | d30 | b10 | l10 | l31 | d1 | d2 | l1 | l2 | b1 | b2 | h5 | h6 | h1 | h2 | h | h10 | d10 | d20 | d25 | d24 | l20 | d22 | l21 | |
| L | LC | HD | AC | A | B | C | D | DА | E | ЕА | F | FА | GA | GС | GD | GF | H | HА | K | M | N | P | T | S | LA | |
| АИР 280 M8 | 1110 | 1260 | 660 | 620 | 457 | 419 | 190 | 80 | 65 | 170 | 140 | 22 | 18 | 85 | 69 | 14 | 11 | 280 | 30 | 24 | 600 | 550 | 660 | 6 | 24 | 22 |

Чертеж электродвигателя АИР 280 M8 — исполнение IM1081 (1082) — лапы

Чертеж электродвигателя АИР 280 M8 — исполнение IM2081 (2082) — комби, IM3081 (IM3082) — фланец
Примечание: Обозначения в габаритных размерах l30, l33, h31, l11, l21, b11, h10 у разных производителей могут различаться. Более точные размеры у каждого производителя можно найти в соответствующем каталоге продукции.
Как сделать заказ
- Вы оформляете заказ на сайте, отправив запрос через кнопку ОСТАВИТЬ ЗАЯВКУ ;
- Или направляете заявку на e-mail: info@teplovent44.ru
- Наш менеджер связывается с Вами для уточнения и согласования всех деталей заказа.
Способы оплаты:
- Безналичный расчет для юридических лиц строго с НДС
- On-line платеж через Интернет Банк, например «Сбербанк онлайн»
Постоянным покупателям:
- Гибкий подход к каждому клиенту и персональный менеджер,
- Возможность размещать предварительные заказы без предоплаты,
- Возможность предоставления отсрочки платежа,
- Специальные цены и система скидок.
Доставка:
- Доставка по Костромской области транспортной компанией, которую Покупатель выбирает самостоятельно. Деловые Линии, ПЭК, ЖелДорЭкспедиция, Байкал-Сервис, Энергия, Vozovoz и другие
- Доставка нашим автотранспортом в предельно короткие сроки и по доступным ценам
- Самовывоз из пункта выдачи: г. Кострома, ул. Солониковская, д. 8 или ул. Зелёная улица, 1, литер А
Гарантии
Интернет магазин teplovent44.ru продаёт только новый товар, с заводской гарантией от 12 до 36 месяцев.
Электродвигатель А200L4 У3 IM1001 45кВт 1500об/мин
А 200 L4 применяют в приводах различных электротехнических конструкций и агрегатов. Электродвигатель превращает электрическую энергию в механическую, которая в свою очередь придает движение и вращение различным механизмам и деталям
- Мощность 45 кВт
- Об/мин 1500
- Высота оси вращения 200
- IM 1001 ( лапы ), B3
- Исполнение по способу монтажа на лапах с горизонтальным расположением лапы внизу и 1 выходного конца вала
- градацией мощности и присоединительных размеров по ГОСТ Р 51689
- Расположение поверхностный
- Напряжение ( В ) 380
- Тип подключения трехфазный
- Степень защиты IP 54
- Вес 232 кг
- Высота 0.475 метра
- Длина 0.835 метра
- Ширина 0.39 метра
Технические характеристики электродвигателя А 200L4
Двигатель*
Мощность, кВт
Номинальная частота вращения, об/мин
КПД, %
Cos φ
Номинальный ток при 380В, А
Номинальный крутящий момент, Н·м
Iпуск/ Iном
Мпуск/ Мном
Ммакс/ Мном
Динамический момент инерции ротора, кг·м²
Масса, кг
Размеры электродвигателя А 200 L4
Двигатель
Габаритные размеры
Установочные и присоединительные размеры, мм
l30
l33
h31
d30
b10
l10
l31
d1
d2
l1
l2
b1
b2
h5
h6
h1
h2
h
h10
d10
d20
d25
d24
l20
d22
l21
L
LC
HD
AC
A
B
C
D
DА
E
ЕА
F
FА
GA
GС
GD
GF
H
HА
K
M
N
P
T
S
LA
Габаритные размеры l30, l33, h31 и установочно-присоединительные размеры l11, l21, b11, h10 у разных производителей могут различаться.
исполнение IM1081 (1082)
Вы ищете надежного поставщика? Вам нужно качество? Вы хотите купить-
Звоните сейчас! Наши менеджеры предложат наилучшие условия для покупки!
Купить А 200 L4 можно следующим способом: позвоните по телефону: +7 (342) 204-52-86 и попросите выставить счет на электродвигатель или отправьте Вашу заявку на наш электронный адрес: 2045286@mail.ru. Вы обязательно получите лучшую цену на электродвигатель А
Доставка
Доставим А 200 L4 в транспортные компании в черте города Также в зависимости от объема закупаемой продукции мы имеем возможность отправить электродвигатель 45 кВт выделенным транспортом в такие города, как Архангельск, Астрахань, Альметьевск, Абакан, Барнаул, Бузулук, Благовещенск, Бугуруслан, Вологда, Владимир, Воронеж, Волгоград, Владивосток, Грозный, Екатеринбург, Ишимбай, Иркутск, Ижевск, Кемерово, Киров, Курган, Кострома, Краснодар, Каспийск, Комсомольск-на-Амуре, Красноярск, Минск, Могилев, Мегион, Мурманск, Москва, Магнитогорск, Нижневартовск, Нижний Новгород, Новый Уренгой, Усинск, Ухта, Ульяновск, Новосибирск, Нижний Тагил, Оренбург, Омск, Пермь, Петрозаводск, Ростов-на-Дону, Рязань, Сыктывкар, Ставрополь, Стрежевой, Стерлитамак, Саратов, Самара, Сургут, Санкт-Петербург, Тамбов, Таганрог, Томск, Тюмень, Тверь, Уфа, Ульяновск, Усть-Кут, Улан-Удэ, Ханты-Мансийск, Хабаровск, Челябинск, Череповец, Чебоксары, Южно-Сахалинск, Чита, Якутск, Ярославль, а также в любую точку России!
Покупайте сейчас! Качество гарантируем! +7 (342) 204-52-86, 204-52-81
Также мы рады предложить нашим клиентам купить, заказ можно сделать, позвонив по телефону или оставив заявку на сайте.
Степень защиты IPxx (ГОСТ 17494-87)
Первая цифра — защита от проникновения твердых тел
— незащищенный электродвигатель
1- электродвигатель, защищенный от твердых тел, диаметром более 50 мм
2- электродвигатель, защищенный от твердых тел, диаметром более 12 мм
3- электродвигатель, защищенный от твердых тел, диаметром более 2,5 мм
4- электродвигатель, защищенный от твердых тел, диаметром более 1,0 мм
5- электродвигатель, защищенный от пыли
Вторая цифра — защита от проникновения воды
— незащищенный электродвигатель
1- электродвигатель, защищенный от вертикально капающей воды
2- электродвигатель, защищенный от падающих капель под углом до 15º к вертикали
3- электродвигатель, защищенный от падающих капель под углом до 60º к вертикали (от дождя)
4- электродвигатель, защищенный от воды, разбрызгиваемой со всех направлений
5- электродвигатель, защищенный от водяных струй со всех направлений.
Электродвигатели ВРА250S4
Взрывозащищенные рудничные электродвигатели ВРА250S4 75 кВт 1500 об/мин
Электродвигатели ВРА250S4, технические характеристики:
Мощность электродвигателя: 75 кВт;
Частота вращения вала: 1500 об/мин;
Напряжение: 380 В, 50 Гц; (для работы в шахтах возможно изготовление электродвигателей ВРА250S4 на напряжение 660/1140В);
Количество полюсов: 4;
Вес двигателя: 625 кг;
Тип: взрывобезопасный асинхронный трехфазный с короткозамкнутым ротором; степень защиты IP55, рудничная взрывозащита РВ ExdI (взрывонепроницаемая оболочка «d»).
Климатическое исполнение У2,5 или Т2,5 (ВРА250S4У2,5 или ВРА250S4Т2,5)
Применение: взрывозащищенные электродвигатели ВРА250S4 предназначены для работы в выработках шахт, рудников, а так же их наземных строениях, опасных по рудничному газу и пыли;
Варианты исполнения крепежа: IM1081 — лапы, IM2081 — комби (лапы+фланец), IM3081 — фланец.
Аналогичные по присоединительным размерам, по мощности, по оборотам и по высоте оси вращения взрывозащищенные электродвигатели 75 кВт 1500 об/мин других производителей (аналоги): ВРП 250S4, 3ВР 250S4
Технические характеристики
Установка и последующая работа электродвигателя АИР обязательно отстраивается от механической нагрузки подключаемой на его вал, условий подключения и эксплуатации. Технические характеристики электрической машины выбираются в соответствии с вышеперечисленными параметрами. Характеристики двигателя также указаны в паспорте или на шильде.
К основным техническим данным относятся:
- Мощность – определяет количество перерабатываемой электроэнергии, для электродвигателей АИР этот параметр находится в пределах от 0,12 до 315кВт.
- Питающее напряжение – в определенной степени зависит от схемы соединения обмоток. Электродвигатели АИР могут соединятся как звездой, так и треугольником, поэтому напряжение указывается для обоих способов – 220/380 или 380/660В.
- Скорость вращения – это число оборотов за единицу времени, для марки АИР может находиться в пределах от 750об/мин до 3000об/мин.
- КПД – определяет соотношение между израсходованной энергией и произведенной работой.
- Допустимый температурный режим – как правило, составляет от – 40 до + 45ºС.
- Вид монтажа – всего существует три способа для электродвигателя АИР: IM1081 – на станину (горизонтально), IM2081 и на станину, и на фланец (и горизонтально, и вертикально), IM3081 только на фланец (вертикально). Пример вариантов основного исполнения приведен на рисунке ниже:
![]()
Рис. 3. Способ монтажа электродвигателя АИР
- Электрические и магнитные потери – определяются напряжением холостого хода и током КЗ.
- Геометрические размеры – указывают основные габариты и расстояния от элементов электрической машины до ближайших деталей, вместе с которыми двигатели применяются.
- Степень пыле- влагозащищенности – обозначается двумя латинскими буквами IP и парой цифр, одна из которых определяет устойчивость к пыли, а вторая к влаге.
Общепромышленное назначение некоторых из них предусматривают технические особенности, которые указываются соответствующими буквами, с которыми двигатели выпускаются:
- Б – обеспечивает работу в условиях высокой температуры;
- В – встраиваемые электрические машины;
- С – с увеличенным параметром скольжения;
- Е – с функцией принудительного торможения ротора.
- Е2 – с ручным управлением торможением.
- ЗЕ – трехфазное устройство для подключения в однофазную сеть.
- Ж – для насосных установок.
- РЗ – в моторно-редукторных приспособлениях.
- Ш – общепромышленные электродвигатели швейной отрасли.
- П – с монтажной характеристикой высокой точности.
- Ф – маслоустойчивого исполнения.
- А – используемые на атомных электростанциях.
- Х2 – повышенной химической устойчивости.
Расшифровка маркировки
![]()
Рис. 2. Пример обозначения на шильде Как и любой аппарат, электродвигатели АИР выпускаются с различными рабочими параметрами, которые отображаются и в паспортных данных, и в его маркировке.
Рассмотрим расшифровку одного из агрегатов серии АИР:
АИР 80 А 4 У2 ІМ2081 IP54
Здесь маркировка электрического двигателя обозначает следующие данные:
- АИР – указывает на марку (А – асинхронный, ИР – изготовлен согласно стандарта Интерэлектро);
- 80 – величина высоты оси, выраженная в миллиметрах, электродвигатели АИР изготавливаются с габаритами от 56 до 355мм;
- А – длина вала, в данном типе электрической машины обозначение выполняется буквами по порядку от наименьшего к большему;
- 4 – количество полюсов, которое определяет возможную частоту вращения;
- У2 – климатическое исполнение, определяющих допустимые параметры типа двигателя;
- ІМ2081 – способ монтажа, определяющий способ установки привода механизма по отношению к рабочей поверхности;
- IP54 – степень пыле и влагозащищенности устройства.
Электродвигатель АИР250S2, АИР250S4, АИР250S6, АИР250S8
Цены, прайс-листы
- Цены на двигатели ВА, АИМЛ
- Цены на электродвигатели АМН
- Цены на электродвигатели АИС
- Цены на однофазные электродвигатели
- Цены на электродвигатели АИРС
- Цены на насосы К
- Цены на насосы КМ
- Цены на насосы КМЛ
- Цены на насосы 1Д, Д
- Цены на насосы СМ
Продукция
- Электродвигатели АИР
- Электродвигатели ВА, АИМЛ
- Электродвигатели АИС
- Электродвигатели АМН
- Электродвигатели 5А 5АМХ 5АМ
- Электродвигатели 7AVER
- Электродвигатели АИРП (птичники)
- Многоскоростные двигатели
- Электродвигатели однофазные
- Консольные насосы К
- Насосы типа КМ
- Насосы КМЛ
- Насосы типа 1Д, Д
- Насосы СМ
- Насосы СД
Общепромышленные трехфазные асинхронные электродвигатели АИР250S2, АИР250S4, АИР250S6, АИР250S8 изготавливаются по умолчанию:
- на напряжение 380/660В (шесть клемм в коробке выводов).
- климатического исполнения У, категории размещения — 3 (эксплуатация в закрытых помещениях без регулирования климатических условий).
- режим работы — продолжительный, S1.
- степень защиты – IP55
Изготовление электродвигателей с повышенным скольжением, двумя концами вала и другие спец. исполнения, производится под заказ.
Монтажное исполнение двигателей:
- на лапах (IM1001, 1011, 1031)
- фланцевые (IM3001, 3011, 3031)
- комбинированные, лапы+фланец (IM2001, 2011, 2031).
Двигатели аналогичны по размерам и параметрам двигателям 5АИ 250 S4 (2, 6, 8), 4ААМ 250 S4, А250S4.
Технические характеристики
| Марка | Мощн. кВт | Об/мин.* (синхр) | Ток при 380В, А* | KПД %* | Kоэф. мощн. | Iп/ Iн | Мп/ Мн | Мm/ Мн | Момент Н·м | Момент инерц., кг·м 2 * | Масса, кг* | Цена, с НДС** |
| АИР250S2 | 75 | 2975 (3000) | 135 | 93,6 | 0,9 | 7 | 2 | 2,3 | 240,76 | 0,3500 | 507 | |
| АИР250S4 | 75 | 1480 (1500) | 138,3 | 93,6 | 0,88 | 6,8 | 2,2 | 2,3 | 483,95 | 0,3500 | 497 | |
| АИР250S6 | 45 | 980 (1000) | 86 | 92,5 | 0,86 | 7 | 2,1 | 2 | 438,52 | 1,2800 | 457 | |
| АИР250S8 | 37 | 740 (750) | 78 | 91,5 | 0,79 | 6,6 | 1,9 | 2 | 477,5 | 1,3500 | 512 |
* — параметры имеют незначительные отличия в зависимости от производителя эл-двигателя. Масса приведена для чугунного корпуса, IM1001.
** — цена двигателя указана с учетом монтажного исполнения IM1001(на лапах), монтажное исполнение IM3001, 3011, 3031, 2001, 2011, 2031 +5%
Габаритно-присоединительные размеры

| Марка | Габаритные,мм | Присоединительные размеры по ГОСТ31606, мм | Прочие | |||||||||||||||
| l30 | h31 | d24 | d10 | l1 | l10 | l31 | b10 | d1 | h | d20 | d25 | d24 | d22 | n | h5 | b1 | d11 | |
| АИР250S2 | 880 | 615 | 550 | 24 | 140 | 311 | 168 | 406 | 65 | 250 | 500 | 450 | 550 | 19 | 8 | 69 | 18 | М20 |
| АИР250S4-8 | 880 | 615 | 550 | 24 | 140 | 311 | 168 | 406 | 75 | 250 | 500 | 450 | 550 | 19 | 8 | 79,5 | 20 | М20 |
Габаритные размеры приведены без упаковки для монтажного исполнения IM2081 (лапы+фланец) и могут незначительно различаться в зависимости от завода-изготовителя.
Ранее двигатели выпускались под марками:
- АИР 250 S2, 75кВт, 3000 об/мин — 4АА250М2, 4ААМ250М2
- АИР 250 S4, 75кВт, 1500 об/мин — 4АА250М4, 4ААМ250М4
- АИР 250 S6, 45кВт, 1000 об/мин — 4АА250М6, 4ААМ250М6
- АИР 250 S8, 37кВт, 750 об/мин — 4АА250М8, 4ААМ250М8
Нюансы по эксплуатации
В случае установки и последующего использования электродвигателей АИР основного исполнения важно соблюдать и учитывать в работе некоторые нюансы, указанные заводом изготовителем, а именно:
Электродвигатель обязательно должен подключаться через систему защиты от токов короткого замыкания, перегрева, обрыва фаз, перегрузок и т.д.
При выполнении монтажных работ или подключения электродвигателя АИР важно обеспечивать приток воздушного потока для охлаждения, сам кожух должен отодвигаться от препятствий не менее чем на 20мм.
В случае сопряжений, вал электродвигателя АИР выставляется соосно с нагрузкой.
Несмотря на способ подключения обязательно производится последующая балансировка нагрузки на валу.
Важно учитывать, что балансировка ротора осуществляется без шпонок.
Конструктивные особенности
С технической точки зрения электродвигатель АИР представляет собой одну из разновидностей асинхронной электрической машины. Впервые данная разновидность вошла в обиход еще в 1973г и заменила марки 4А и АМ благодаря новому международному стандарту, который установил его параметры и технические особенности. Конструктивно пример асинхронных электродвигателей приведен на рисунке ниже:
![]()
Рис. 1. Конструкция электродвигателя АИР
Как видите, двигатель АИР состоит из таких основных конструктивных элементов:
- Корпус – выполняется из чугуна или облегченных сплавов, предназначен для удержания внутренних деталей и крепления к рабочей поверхности.
- Магнитопровод статора – применяется в качестве среды для проведения магнитного потока от обмоток к ротору.
- Обмотки статора – изготавливаются из медных жил с лаковой изоляцией, как правило, имеют дополнительный слой. Предназначены для протекания переменного тока, который формирует электромагнитные волны. Провода обмоток укладываются в статорные пазы.
- Ротора – фазного или короткозамкнутого, фазный состоит из металлического вала, на котором находится беличья клетка и уложенные в ее пазы обмотки. Короткозамкнутый ротор представляет собой монолитный блок из ферромагнитного материала. Ротор предназначен для вращения внутри электромотора за счет воздействия электромагнитных сил.
- Борна – клеммная коробка предназначена для подключения кабеля электрического питания, позволяет изменить схему соединения обмоток.
Китайские АИР
Если ранее двигатели АИР производили только участники «Интерэлектро», сегодня серию активно производит Китай. В связи с распространенностю маркировки китайские производители имеют возможность изготавливать большие объемы продукции по одним стандартам, что очень выгодно. Для выпуска данных двигателей достаточно соблюдения стандартов и предписаний по тех.характеристикам.
Однако китайские двигатели имеют ряд недостатков, которые заставляют относится к ним настороженно. Первейшие из них это, конечно, качество материалов и сборки. Отечественные двигатели, по общему мнению потребителей, значительно выигрывают в качестве. Убедиться в этом вы можете сами!
Узнать больше материалы
Каталог электродвигателей HELZ
Лучшие производители
В виду постоянного наполнения рынка электрическими машинами самого разнообразного качества, довольно остро стоит вопрос и при покупке электродвигателя АИР. Приобретая такой агрегат, пользователь ожидает получить взамен длительную бесперебойную работу, так как асинхронные машины гораздо надежнее и относительно редко выходят со строя.
Однако на практике нередко всплывают различные подделки, как правило, дешевая китайская продукция, ее же иногда пытаются выдавать за новоиспеченных отечественных производителей двигателей основного промышленного сектора. Поэтому, чтобы купить электродвигатель АИР, следует выбирать проверенные бренды, которые соответствуют стандартам, а их агрегаты выдерживают заявленные режимы работы.
Перечень лучших производителей электродвигателей серии АИР приведен в таблице ниже:
Таблица: перечень лучших производителей электродвигателей АИР
| Название производителя | Краткое описание |
| СЛЭМЗ (харьковский электромеханический завод) | Выпускает электродвигатели АИР с мощностью от 0,75 до 75кВт различного конструктивного исполнения. |
| «Укрэлектромаш» (харьковский электротехнический завод) | Выпускает маломощную линейку электрических машин марки АИР |
| «ELDIN» (ярославльский завод) | Один из крупнейших производителей асинхронных машин в России |
| «Сибэлектромотор» (томский завод) | В большей части ориентирован на производство крановых электродвигателей. |
| «Электродвигатель» (могилевский завода) | Ориентирован на широкий модельный ряд приводной продукции |
| «Полесьеэлектромаш» (лунинецкий завод) | Осуществляют не только изготовление, но и ремонт электродвигателей АИР |








































