Симптомы неисправности бензонасоса на Форд Фокус 2
Замена топливного насоса Форд Фокус 3 своими руками видео Обнаружить подобного рода проблему довольно просто. Среди основных признаков неисправности следует выделить следующие:
- автомобиль отказывается , так и на «холодную»;
- во время езды вы наблюдаете рывки и подёргивания, а также сопутствующее им снижение оборотов;
- на холостом ходу четко слышны различные шумы, в особенности в задней части автомобиля.
Если вы заметили данные симптомы, не стоит сразу же покупать новый бензонасос и менять его. Для начала нужно провести проверку и удостовериться, что проблема именно в нем.
Как проверить исправность бензонасоса
Диагностика топливного насоса включает в себя проверку давления и питания в магистрали.
В первую очередь следует прислушаться — при включении зажигания в первые несколько секунд вы должны услышать характерный звук(писк) работы электрического насоса. Это и есть бензонасос. При включении зажигания, как и писалось выше, он создает необходимое давление в системе.
Обратить особое внимание на предохранитель, который расположен рядом с блоком управления и при его поломке просто, заменить на новый элемент. Далее нужно проверит реле, которое спрятано под приборной панелью. Необходимо снять с него крышку и включить зажигание
Если все работает нормально – вы услышите щелчок, если этого не произошло – устройство нужно менять
Необходимо снять с него крышку и включить зажигание. Если все работает нормально – вы услышите щелчок, если этого не произошло – устройство нужно менять
Далее нужно проверит реле, которое спрятано под приборной панелью. Необходимо снять с него крышку и включить зажигание. Если все работает нормально – вы услышите щелчок, если этого не произошло – устройство нужно менять.
Давление нужно проверять посредством манометра, который подключается к топливной рампе. Если после нажатия педали газа прибор не реагирует – пришло время начинать ремонтные работы.
Инструменты для замены бензонасоса на Форд Фокус 2
Данная процедура не отличается особой сложностью, а из инструмента вам потребуется:
- ножницы по металу.
- исправный бензонасос.
- плоская отвертка.
Что касается последнего пункта, то здесь есть одна важная рекомендация – не стоит жалеть деньги и приобретать устройства сомнительно производства. В данном случае лучше купить оригинальную запчасть, чтобы обеспечить нормальную работу топливной магистрали авто.
Как снять бензонасос на Форд Фокус 2?
Снятие бензобака и последующий демонтаж бензонасоса Форд Фокус 2 следует проводить на смотровой яме или на эстакаде. Обязательно использовать защитные перчатки и спецодежду. Также важным моментом является беспрепятственный доступ кислорода в помещение, где будет осуществляться замена бензонасоса, так как в процессе работ будут выделяться ядовитые пары бензина.
Снятие бензонасоса Форд Фокус 2:
- Предварительно снять теплозащиту и трубку фильтра (абсорбера)
- Через багажник открутить болты крепления для доступа к люку бензобака
- Отсоединить идущие к насосу шланги подачи и обратки, а также клеммы датчика бензонасоса
- Прокрутить стартером и завести двигатель автомобиля
- Оставить запущенный двигатель, пока автомобиль не заглохнет (т.е. топливная система не станет пустой)
- Для облегчения задачи последующей сборки все штуцера и шланги следует нумеровать в процессе работ
- Отвернуть от топливного бака бензонасос (при этом аккуратно обращаться с кольцом уплотнителя, так как данная деталь является достаточно хрупкой)
- В процессе съема бензонасоса следует проверять шланги и прочие компоненты топливной системы на предмет целостности
- При обнаружении поломки на каком-либо из компонентов системы подачи топлива следует произвести замену запчасти
- Вытащить бензонасос и уложить его на приготовленную заранее ветошь или картон
Вставка нового бензонасоса Форд Фокус 2 осуществляется в обратном порядке. На последнем этапе сборки следует немного прокрутить стартер для того, чтобы осуществить закачку топлива в систему. В это же время можно проверить конструкцию на течи и прочие дефекты.
Также после переустановки бензонасоса рекомендуется проверить свой автомобиль в различных режимах. Для этого необходимо на высокой скорости проехать по трассе и по наклонной плоскости.
Цена замены бензонасоса Форд Фокус 2 (дорестайлинговые модели и Фокус 2 рестайлинг), если работы проводятся в сервисе, составит от 3-х до 5-ти тыс. рублей (по Москве). Стоимость замены зависит от региона и во многом от устанавливаемой детали. Плюсом замены в специализированном сервисе является гарантия качества исполнения работ и возможность при возникновении неисправностей с отремонтированной частью автомобиля вновь бесплатно обратиться к мастеру.
Люк под бензонасос Форд Фокус 2
Инженерами Форд не предусмотрено снятие бензонасоса прямо из салона авто. Поэтому для снятия бензонасоса нужно снимать бак, а процедура эта занимает достаточно много времени и сделать ее в дорожных условиях (например, если с бензонасосом возникли проблемы на трассе) очень неудобно. По этой причине некоторые автовладельцы делают лючок для снятия бензонасоса.
Вырезать люк под бензонасос Форд Фокус 2 несложно. Для этого необходимо вырезать в сидении отверстие соответствующего диаметра, проложить его по периметру резиновым уплотнителем, вырезать металлическую крышку для закрывания получившегося отверстия и прикрутить ее к основанию.
Что делать при поломке бензонасоса
Важно еще раз обозначить тот факт, что топливный насос очень не любит некачественное горючее. Как демонстрирует разборка сломанных бензонасосов, многие из изделий утратили свои свойства в результате засоров в фильтрационном элементе тонкой очистки
Это происходит в результате перегрева системы, что приводит к тому, что не качает бензонасос. В данном случае решить проблему можно только ремонтными работами или с помощью полной замены данного компонента. Иначе надлежащая эксплуатация машины будет невозможна.
Полная замена этого элемента системы требуется далеко не всегда. Так, если гудит топливный насос, фильтрационный элемент загрязнен, а каналы подачи горючего в насос забиты частицами, можно решить проблему с помощью очистки этого узла. Для успешной прочистки необходим высокий профессионализм и четкие, осторожные действия, ведь многие современные агрегаты обладают слабым корпусом, и достаточно неловкого движения, чтобы пришлось идти в магазин за новым изделием.
Также стоит избегать вмешательства в электрику агрегата, так как любая ошибка является прямой угрозой для жизни
Топливный насос имеет прямой контакт с горючим, а электрическим цепям важно исключать любую возможность для короткого замыкания.. Немало экспертов сходятся во мнении, что самостоятельный разбор и ремонт бензонасоса без специальных навыков и знания конструкции невозможен
Впрочем, многие владельцы Фокуса второго поколения давно развенчали этот миф, успешно ремонтируя топливную систему своего автомобиля. Далее мы рассмотрим этот процесс подробнее.
Немало экспертов сходятся во мнении, что самостоятельный разбор и ремонт бензонасоса без специальных навыков и знания конструкции невозможен. Впрочем, многие владельцы Фокуса второго поколения давно развенчали этот миф, успешно ремонтируя топливную систему своего автомобиля. Далее мы рассмотрим этот процесс подробнее.
Как проверить бензонасос на Форд Фокус 2?
Неисправность в системе топливоподачи можно установить по следующим признакам:
- силовой агрегат не запускается;
- во время движения часто возникают рывки, как будто мотору не хватает мощности, падают его обороты;
- при работе силового агрегата на холостых оборотах можно отчетливо различить всевозможные шумы в области расположения бензобака.
Однако, при появлении описанных симптомов, не стоит опрометью, бросив все дела, бежать в автомагазин за новым бензонасосом. Вначале стоит его продиагностировать и убедиться, что именно он является источником описанных проблем.
Диагностика работы детали состоит из проверки создаваемого им давления. Сразу после включения зажигания начинает работать топливный насос. Поэтому, если он исправен и на его клеммы поступает напряжение, должен раздаться отчетливо слышимый звук его работы.
Стоит отметить, что при наличии давления в топливной системе насос подачи бензина не включится. Говоря проще, при повторном включении зажигания система уже находится под давлением и звук работающего бензонасоса не будет слышен.
При подозрении поломки топливного электронасоса первым делом стоит проверить его предохранитель и реле.
Проверка давления осуществляется при помощи подключенного в цепь топливной рампы манометра. При нажатии акселератора прибор должен отреагировать на это изменением показаний. Обратное говорит о неисправности бензонасоса.
Зачем нужно реле
Как правило, различные механизмы автомобиля подключаются через предохранитель, но топливный насос настолько мощный, что для него предусмотрели реле. На автомобилях Ford Focus оно может находиться в двух местах, в зависимости от года выпуска. На старых моделях, выпущенных до рестайлинга 2 поколения «Форд Фокус», реле расположено в чёрном ящике (блоке) и в салоне. Второй блок зафиксирован прямо под перчаточным ящиком.

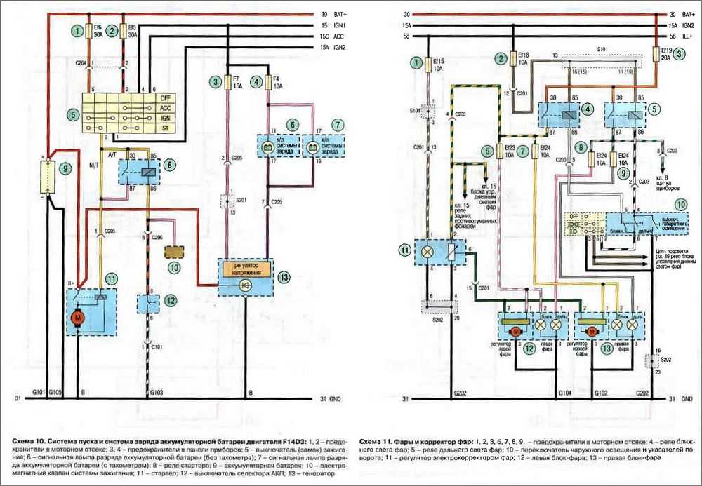
 Реле насоса отмечено на схеме как К4
На новых рестайлинговых моделях реле устанавливается в монтажном блоке, в салоне.

 Реле бензонасоса отмечено на рисунке как R19
Определить неисправность реле можно как по работе самого бензонасоса, так и принудительно. По сути, именно реле включает и выключает насос, отталкиваясь от показателей давления в системе. Когда давление повышается, то реле отключает насос, и наоборот, давление снижается — включает. Если насос не будет отключаться через определённые промежутки времени, можно сделать вывод о порче реле.
Чтобы проверить работу реле напрямую, следует замкнуть два вертикальных контакта из пяти. Насос должен включиться. Замена реле несложная. Проводится, как и любая замена больших предохранителей, без использования специальных инструментов. Нужно просто вынуть старое и поставить новое реле своими руками.
Если замена насоса будет проводиться в СТО, рекомендуем требовать от работников гарантию качества устанавливаемых деталей. Вдобавок советуем покупать оригинальные запчасти при самостоятельной замене, чтобы они прослужили долго.
Замена бензонасоса Форд Фокус 2: доступные способы
На модели Форд Фокус 2 (Ford Focus II) сбои в работе топливного насоса приводят к рывкам, провалам при разгоне, трудностям при запуске и нестабильной работе силового агрегата. Если бензонасос Форд Фокус 2 полностью выходит из строя, в результате происходит полная остановка двигателя.
В подобной ситуации бензонасос необходимо снимать, ремонтировать или менять. Для того чтобы заменить бензонасос Фокус 2, необходимо:
- полностью снять топливный бак (официальный способ замены);
- самостоятельно вырезать лючок в кузове автомобиля;
При этом каждый из указанных методов можно реализовать самостоятельно. Главное, следует учитывать основные правила и рекомендации по замене. Подробнее читайте в нашей статье.
Когда нужно снимать топливный насос Форд Фокус
На Форд Фокус 2 замена бензонасоса обычно требуется на автомобилях с достаточно большим пробегом (от 150-200 тыс. км. и больше). Как правило, на проблемы с топливоподачей указывают следующие симптомы:
- двигатель плохо заводится;
- при разгоне возникают рывки, провалы;
- топливный насос сильно гудит и шумит;
- заметна потеря мощности;
- насос при включении зажигания не работает (нет характерного звука его срабатывания).
Обратите внимание, топливный насос часто замены может не требовать. Заменить потребуется только сеточку-фильтр бензонасоса Форд Фокус
Однако для подключения доступа к сетчатому фильтру бензонасоса, устройство все равно нужно снимать.
Где стоит бензонасос на Форд Фокус 2
Топливный насос является частью топливного модуля, который находится в верхней части бензобака. Для получения доступа к устройству, бензобак нужно снимать с автомобиля.
В целом, увидеть топливный модуль с насосом можно и без снятия бензобака. Необходимо снять заднее сиденье, под которым есть специальное технологическое отверстие, прикрытое заглушкой.
Топливный насос Форд Фокус 2: замена
На модели Форд Фокус 2 бензонасос установлен так, что специального технологического отверстия для его обслуживания попросту нет. Это касается как дорестайлинговых версий Фокус II, так и моделей уже после рестайлинга. Имеется только заглушка, под которой отверстия недостаточно для извлечения модуля.
Отсутствие отдельного лючка бензонасоса означает следующее:
- официально замена модуля осуществляется только после снятия бензобака с автомобиля (способ сложный);
- чтобы снять бензонасос ФФ2 без снятия бензобака, потребуется дополнительно вырезать в полу автомобиля отверстие под задними сидениями (часто практикуется при самостоятельном обслуживании);
Важно понимать, что каждый из указанных способов замены позволяет снять на Форд Фокус бензонасос, однако также нужно учитывать плюсы и минусы того или иного метода извлечения модуля
Снятие бензобака для замены топливного насоса
Метод замены со снятием топливного бака является официальным, так как в кузове нет необходимости проделывать отверстие, выполнять резку днища и т.д.
Данный способ замены предполагает получение свободного доступа к нижней части автомобиля. Для этого необходимо загнать автомобиль на смотровую яму, эстакаду или поднять на подъемнике.
Перед снятием крепежа, болты и гайки следует обработать смазкой. Затем потребуется сбросить давление в системе питания, сняв реле К4 (дорестайлинговые модели) или реле R19 (после рестайлинга). Отключив предохранитель бензонасоса Форд Фокус, мотор следует завести и ждать, пока он не заглохнет.
Сначала следует снять тепловой экран топливного бака. Далее следует обнаружить пару трубопроводов возле бака, которые отсоединяются путем нажатия на фиксаторы (с одной стороны подковыривается и вытаскивается белая защелка из пластика, затем надавливается фиксатор и происходит размыкание).
Следующий шаг — удаление трубопровода заливной горловины (ослабляется хомут, стягивается трубка с выходного патрубка). Теперь нужно открутить три болта крепления металлических лент, которые удерживают бак.
Теперь можно снимать бензобака (предварительно из него откачивается топливо при помощи груши или бензостойкого шланга). Далее внешняя поверхность бака очищается от грязи, после чего модно откручивать прижимное кольцо из пластика.
Выполнив данную процедуру, можно извлекать топливный стакан из бака, после чего выполняется проверка, ремонт или замена насоса
При установке нового насоса важно учитывать, что на корпусе есть стрелка, которую следует совместить с риской, выполненной на топливном баке.
Установив насос, следует затянуть прижимное кольцо. Учитывайте, что кольцо из пластика, то есть сильно затягивать его не следует
Важно добиться надежной фиксации модуля, при этом не перетянуть кольцо.
Зачем нужно реле
Как правило, различные механизмы автомобиля подключаются через предохранитель, но топливный насос настолько мощный, что для него предусмотрели реле. На автомобилях Ford Focus оно может находиться в двух местах, в зависимости от года выпуска. На старых моделях, выпущенных до рестайлинга 2 поколения «Форд Фокус», реле расположено в чёрном ящике (блоке) и в салоне. Второй блок зафиксирован прямо под перчаточным ящиком.
  Реле насоса отмечено на схеме как К4
Реле насоса отмечено на схеме как К4
На новых рестайлинговых моделях реле устанавливается в монтажном блоке, в салоне.
  Реле бензонасоса отмечено на рисунке как R19
Реле бензонасоса отмечено на рисунке как R19
Определить неисправность реле можно как по работе самого бензонасоса, так и принудительно. По сути, именно реле включает и выключает насос, отталкиваясь от показателей давления в системе. Когда давление повышается, то реле отключает насос, и наоборот, давление снижается — включает. Если насос не будет отключаться через определённые промежутки времени, можно сделать вывод о порче реле.
Чтобы проверить работу реле напрямую, следует замкнуть два вертикальных контакта из пяти. Насос должен включиться. Замена реле несложная. Проводится, как и любая замена больших предохранителей, без использования специальных инструментов. Нужно просто вынуть старое и поставить новое реле своими руками.
Если замена насоса будет проводиться в СТО, рекомендуем требовать от работников гарантию качества устанавливаемых деталей. Вдобавок советуем покупать оригинальные запчасти при самостоятельной замене, чтобы они прослужили долго.
Признаки неисправности
Это делается для того, чтобы убедиться в том, что бензин полностью ушёл из системы. Откручиваем 2 гайки крепления теплозащитного кожуха бака головкой на Отводим кожух в сторону.

Снимаем трубки с адсорбера, он расположен за топливным баком. Для этого нажимаем на кнопку фиксатора отвёрткой и просто стягиваем шланг. В передней части бака снимаем топливный шланг с трубки, поддев белый пластиковый фиксатор плоской отвёрткой
Топливо находится под давлением, поэтому снимать трубку нужно осторожно, оно может пролиться или брызнуть. Отсоединяем шланг заливной горловины. Он зафиксирован на баке при помощи хомута
Ослабляем хомут, выкручивая стягивающий винт и снимаем шланг
Он зафиксирован на баке при помощи хомута. Ослабляем хомут, выкручивая стягивающий винт и снимаем шланг.

Если уровень бензина выше патрубка, он может выливаться из бака. Отсоединяем воздухоотводную тонкую трубку возле заливного патрубка, освободив её от хомута.

Старая слева и новая справа сетки топливного насоса Если на поверхности старой сетки нет механических повреждений, её можно почистить под высоким давлением. Таким простым способом можно вернуть бензонасосу работоспособность
Однако, принимая во внимание качество отечественных дорог, этот показатель снижается до 20—25 тыс. Порядок действий при его замене следующий: Загоните автомобиль на смотровую яму или эстакаду
Снятие топливного насоса, очистка фильтра на Ford Focus 2
Извлеките из блока предохранителей элемент, отвечающий за работу бензонасоса голубого цвета. Запустите двигатель и дождитесь, пока он не израсходует всё топливо и не заглохнет. Убедитесь, что бензина в системе не осталось, запустив двигатель ещё раз. Топливный фильтр находится в нише справа от бензобака. Топливный фильтр расположен внизу справа от бензобака От фильтра отсоедините разъём.
Однако есть и другие признаки, которые могут подсказать о неисправности топливного насоса: Автомобиль не заводится при любых температурах.
Загрузка ..
Нестабильный холостой ход, посторонние шумы в задней части Ford Focus 2. Машина постоянно дергается и работает рывками.

Если вы обнаружили подобные проблемы на Ford Focus, то необходимо обратить на состояние детали. Далее мы расскажем о том, какие причины поломки бензонасоса, а также как его поменять своими руками.

Причины и признаки поломки Топливный насос может выйти из строя по огромному количеству причин, но не во всех случаях замена будет единственным решением. Например, на Форд фокус 2 могут быть проблемы с контактами на бензонасосе или реле под порогом передней пассажирской двери. Такая неисправность может возникать тогда, когда пусковой механизм в порядке, но запустить двигатель не получается.
Проблема в этом случае заключается в отсутствии тока в топливном насосе, а поэтому и горючее в мотор FordFocus не попадает.
Важные моменты
Откручивать топливопроводы с насоса нужно крайне осторожно и ни в коем случае не направлять трубки в лицо или в сторону передних сидений, так как бензин в них находится под давлением. Лучше всего откручивать трубки, предварительно обмотав соединительные муфты ветошью.
Так как после всех вышеуказанных операций в полу салона появляется круглая дыра, её необходимо заделать. Для этого подойдёт квадратная металлическая пластина (размеры: 30 на 30 см), в углах которой высверливаются отверстия
Пол в салоне тонкий, так что пластина легко крепится на 4 самореза. Это надёжно защитит насос от повреждений.
Для того чтобы было легче прорезать напольную панель ножницами, можно предварительно просверлить ряд отверстий там, где будет проходить разрез. Сделать это можно обычной электродрелью. Однако сверло не должно быть слишком длинным, поскольку в этом случае есть риск задеть бензобак (а повредить его очень легко, так как на Форд Фокус 2 он пластмассовый).
Для этого подойдёт квадратная металлическая пластина (размеры: 30 на 30 см), в углах которой высверливаются отверстия. Пол в салоне тонкий, так что пластина легко крепится на 4 самореза. Это надёжно защитит насос от повреждений.
Для того чтобы было легче прорезать напольную панель ножницами, можно предварительно просверлить ряд отверстий там, где будет проходить разрез. Сделать это можно обычной электродрелью. Однако сверло не должно быть слишком длинным, поскольку в этом случае есть риск задеть бензобак (а повредить его очень легко, так как на Форд Фокус 2 он пластмассовый).
 
Конечно, способ замены насоса, приведённый в этой статье, трудно назвать красивым. Но у него есть три несомненных плюса. Во-первых, это быстро, во-вторых, просто, так что выполнить эту задачу сможет даже начинающий автолюбитель. И наконец, это дёшево, потому что не нужно будет платить автомеханикам в сервисе за полное снятие бензобака и за массу сопутствующих операций.
Где находится?
На Фокус 2 топливный насос находится в топливном баке около лючка. Особенностью Фокус 2 является то, что, в отличие от множества современных автомобилей, в нем отсутствует крышка под задним сидением и поэтому, чтобы добраться до топливного насоса, придется установить машину на смотровую яму или на эстакаду и снять теплозащиту с трубкой фильтра.
Давление
Производитель указывает, что давление топливного насоса Форд Фокус 2 должно соответствовать 3,5-4,5 Бар. При превышении данных показателей в работу включается специальный клапан, который стравливает обратно в бак лишнее давление. С помощью измерения давления можно проверить состояние топливного насоса и определить, например, засорен ли его фильтр тонкой очистки.
Проверка давления:
- Для начала необходимо спустить давление топливной системы. Для этого нужно от топливного фильтра отсоединить трубку и подсоедините к ней и к фильтру топлива измеритель давления посредством переходника.
- Далее установить ключ зажигания на «ON» (когда двигатель не работает и система кондиционирования отключена). При этом топливный насос должен включиться ненадолго (примерно на 2 сек.). Давление должно увеличиться и удерживаться на одной отметке, не опускаясь ниже минимума, приведенного в технических характеристиках.
- После нужно завести и прогреть двигатель до нормальной температуры. Показания измерителя следует сравните с техническими требованиями.
- Если показания расходятся с указанными в тех. доке, необходимо сделать следующее: если давление высокое, следует проверить регулятор давления и заменить его в случае необходимости. Если давление низкое, необходимо заменить топливный фильтр и проверить инжекторы на возможные протечки.
В данной статье мы рассмотрели общие вопросы, касающиеся топливного насоса – как работает топливный насос Форд Фокус 2, какой топливный насос может быть установлен на него, сколько стоит топливный насос Форд Фокус и по каким каталожным номерам можно найти насосы на Фокус 2.
Форд Фокус 2 является современным автомобилей, обладающим множеством достоинств, основным из которых является высокий уровень безопасности. Одной из ключевых системы с точки зрения движения и безопасности является топливный насос (или бензонасос). Топливный насос Форд Фокус 2 представляет собой высококачественную деталь с отличными показателями производительности, он обеспечивает максимальный уровень комфорта в процессе езды и уверенность в движении.
Где находится бензонасос у Форд Фокус 2
Ford Focus 2 – один из самых продаваемых городских хэтчбеков. И несмотря на то, что уже вышло третье поколение этого авто, популярность 2-го Фокуса не падает.
Одним из достоинств этого авто можно отметить широкую линейку силовых агрегатов, которая включает в себя 6 модификаций бензиновых моторов, и это не считая дизелей. Все бензиновые двигателя обладают современной конструкцией и оснащаются инжекторными системами питания.
Самым конструктивно сложным в устройстве механической части инжектора является электрический бензонасос.
Устанавливается узел непосредственно в топливном баке, из которого и осуществляется заполнение бензином под давлением всей систему питания.
Точное месторасположение – на верхней части бака, поэтому добраться до узла не так просто.



















































