Устройство замка зажигания на ВАЗ 2107
Замком зажигания называется цилиндрическая деталь, которая состоит из замыкающих и размыкающих контактов внутри. С торцевой стороны выключатель зажигания имеет углубление для вставки ключа. Второй конец цилиндрического корпуса имеет колодку с контактами для подключения штекера с электропроводкой. Все ключи имеют универсальную конструкцию, поэтому подходят исключительно для «своих» замков.

Боковая часть корпуса имеет выступ, главным назначением которого является блокирование руля в одном положении. Эта блокировка включается автоматически сразу после извлечения ключа из выключателя зажигания. Внутри деталь состоит из двух частей — это личинка, в которую входит ключ зажигания, а также контактная группа. Прокручивание личинки приводит к замыканию и размыканию контактов.
Личинка
Личинкой называется внутренняя деталь, в которую вставляется ключ, и которая с ним взаимодействует. Этот элемент в конструкции замка имеет подвижный запорный палец, который перемещается при вращении ключа по направлению движения часовой стрелки. Когда ключ поворачивается в замке в противоположную сторону (выключается зажигание), то происходит выдвигание пальца.

Когда владелец авто покидает транспортное средство, извлекая из замка ключ, то палец входит в специальное углубление рулевой колонки, блокируя руль от вращения в одном положении. Это противоугонная система, которая исключает возможность угона автомобиля без ключа. Если выходит из строя личинка, то ее можно отдельно заменить, без контактной группы, но с использованием нового ключа. Для замены понадобится демонтировать замок и снять личинку.
Контактный разъем
Контактная группа замка зажигания ВАЗ 2107 (нижняя часть) состоит из двух элементов. Первый элемент представляет собой подвижный диск, на которой находятся токопроводящие пластины. Вторая часть — это колодка с контактами в виде выступов, которые соединяются с токопроводящими пластинами.

Подвижная пластина приводится в движение от личинки замка при повороте ключа. Неподвижная пластина с наружной стороны имеет выступы — клеммы, за счет которых происходит подключение питающих проводов. Чтобы подключить провода к ЗЗ, используется пластиковая колодка или фишка. Такое подключение к замку называется быстросъемным.
Схема подключения
Схема подключения замка зажигания ВАЗ 2107 реализована на использовании пластиковой фишки, которая подсоединяется к контактам неподвижной пластины с обратной стороны механизма. В фишке подключаются провода разного цвета, которые отвечают за работу электроприборов на автомобиле. Рассмотрим, что представляет собой схема подключения проводов к замку зажигания ВАЗ 2107. На этой фишке имеются цифровые обозначения. К каждому штекеру подключаются провода разных цветов, о назначении которых узнаем далее.
Монтажный блок реле
Монтажный блок находится под капотом, недалеко от лобового стекла.
К1 – реле очистителей фар. Если очистители фар не включаются, проверьте предохранители F1 и F7. Осмотрите механизм «дворников», возможно в него попала пыль или прилетел камень, повредив или заклинив его действие.
К2 – реле-прерыватель указателей поворота и аварийной сигнализации. Если у вас перестали работать поворотники или «аварийка», проверьте предохранители F2 и F16, это реле. Если «аварийка» работает, а поворотники нет, проверьте ручку включения, её контакты и разъём. Если не работает только «аварийка», проверьте кнопку включения, контакты и проводку. Не забудьте проверить лампы в указателях поворотов. В одной из фар может быть короткое замыкание. Внимательно осмотрите разъёмы, а также проводку на наличие повреждений изоляции.
Если поворотники работают нестабильно, с перебоями, это может быть вызвано плохими контактами в монтажном блоке, а также выгоранием или повреждением его дорожек. Контакт может пропадать не только в блоке, но и в самих фарах, а также на пути к ним. Если менялась проводка, либо что-то делали с проводами, проверьте первым делом их.
К3 – реле стеклоочистителя.
Если у вас перестали работать «дворники», первым делом проверьте реле и контакты. Мог также перестать работать подрулевой переключатель или окислиться его контакты. Осмотрите механизм очистителей, из-за плохой затяжки могли открутиться гайки, фиксирующие рейки механизма, или попасть посторонний предмет, мешающий их нормальной работе.
Мог сгореть моторчик, проверить его работоспособность можно подав на него напрямую напряжение от аккумулятора 12 В. Около моторчика есть ещё один предохранитель, защищающий его от перегрева. Он находится либо на кронштейне трапеции, либо в самом моторе, в зависимости от его типа.
К4 – реле контроля работоспособности ламп.
К5 – реле стеклоподъемников. Если у вас не опускается или не поднимается стекло электрическим стеклоподъёмником, проверьте предохранитель F6 и это реле. Если стеклоподъёмный механизм тросикового типа, опускает нормально, а поднимает тяжело, необходимо смазать тросы и направляющие стекла силиконовой смазкой. Для этого нужно снять обшивку с двери и добраться до механизма. Мог перестать работать мотор, в этом случае необходимо его заменить.
Иногда для закрытия стекла помогает удар по двери, чтобы на время привести мотор в чувство. Чтобы разобрать механизм стеклоподъёмника, нужно открутить болты крепления кронштейнов и отсоединить само стекло от механизма.
Если не работает только один стеклоподъёмник, дело может быть в кнопке его включения и её контактах.
К6 – реле звукового сигнала. Если у вас перестал работать «гудок», проверьте предохранитель F5, реле. Сигнал может не работать из-за отсутствия контакта в руле. Снимите подрулевой кожух и посмотрите на исправность пластин и контактов. Покрутите руль вправо и влево, возможно при повороте заедает механизм или контакты смещаются. Одним болтом на кожухе фиксируется положение кронштейна крепления выключателей, вторым фиксируется кожух.
Чтобы сигнал работал, нужно надёжно их зафиксировать, настроив таким образом, чтобы контакты при нажатии выключателя замыкались. Контакты расположены над рулевым валом. Также могла нарушиться конструкция контактов в руле. Осмотрите механизм, 3 винта и пружины должны надёжно размыкать и замыкать цепь.
К7 – реле обогрева заднего стекла.
Если заднее стекло запотевает, а обогрев перестал работать, проверьте предохранители F4 и F7, реле, контакты элементов обогрева на стекле, которые могли обгореть или окислиться, а также кнопку-выключатель. Обогрев использует высокий ток, не лишним будет проверить дорожки на плате монтажного блока около указанных предохранителей и реле. Провод, идущий от выключателя к заднему стеклу мог перетереться и стать одной из причин.
К8 – реле дальнего света. Если у вас перестала гореть только одна фара дальнего света, проверьте один из предохранителей F14 или F15, и лампу в проблемной фаре. Осмотрите разъём фары, его контакты. Лучше их прозвонить, тогда проблему будет найти проще. Проверьте подрулевой выключатель дальнего света, его контакты. При движении на себя фары должны мигать дальним светом, при переключении от себя переключать ближний свет на дальний. Если дальний моргает, но не переключается, скорее всего дело в нём.
К9 – реле ближнего света.
Если у вас перестал работать ближний свет в одной из фар, проверьте один из предохранителей F12 или F13, и лампу в проблемной фаре. Проверьте кнопку-переключатель гарабитов и ближнего света, если не горят обе фары. Контакты в рахъёмах фар также могут быть причиной отсутствия света.
Расположение реле поворотов в автомобилях ВАЗ-2107
Чтобы легко и быстро устранять любые неисправности реле поворотов ВАЗ-2107, важно знать, где стоит это устройство. Его расположение зависит от модификации данной модели автомобиля:
- в машинах с инжекторными двигателями реле размещается в подкапотном пространстве, в специально предназначенном монтажном блоке;
- в карбюраторных «семерках» реле поворотов может находиться непосредственно в салоне, за приборной панелью. В данном случае для получения доступа к нему потребуется демонтировать торпеду, что займет значительно больше времени.
Если реле поворотов будет стоять за приборной панелью, можно попытаться предельно аккуратно поддеть ее с помощью отвертки и максимально вытянуть на себя.
Ремонт втягивающего реле стартера
Однако некоторые автовладельцы проводят его ремонт своими руками. Но при этом нужно знать, как разобрать втягивающее реле стартера. Если реле разборное — то оно поддается ремонту. В случае неразборного ремонт также возможен, однако в небольшом объеме. В частности, при пригорании “пятаков”, улучшении и чистке контакта. Если же сгорела или “закоротила” одна из обмоток, то такие реле, как правило, не ремонтируют.
Для дальнейших работ вам понадобится отвертка с плоским жалом, а также паяльник, олово и канифоль. Разборка реле начинается с того, что необходимо вытащить из него сердечник. После этого откручиваются два, которые держат верхнюю крышку, где расположены контакты катушек. Однако перед тем как ее снять, необходимо отпаять упомянутые контакты. При этом необязательно отпаивать оба контакта. Обычно, чтобы добраться к “пятакам”, достаточно отпаять лишь один контакт и приподнять с одной стороны крышку.
Далее нужно открутить с верхней стороны болты, удерживающие “пятаки”, и достать их. В случае необходимости нужно провести их ревизию. То есть, почистить их с помощью наждачной бумаги с тем, чтобы избавиться от нагара. Аналогичную процедуру нужно выполнить и с их посадочными местами. С помощью слесарного инструмента (лучше всего с помощью отвертки с плоским жалом) почистить посадочное место, удалив оттуда грязь и нагар. Сборка корпуса реле происходит в обратном порядке.
Разборка и сборка разборного реле происходит аналогично. Для этого нужно раскрутить болты-шпильки и разобрать его корпус. Так вы доберетесь до внутренних элементов устройства. Работы по ревизии проводятся аналогично приведенному выше алгоритму.
Назначение устройства
Изначально следует отметить, что повороты функционируют не так, как прочие световые приборы на автомобиле. Они работают в прерывистом режиме, что обеспечивается посредством такого изделия, как реле(прерыватель) поворотов ВАЗ-2107.
Следует также отметить и тот факт, что помимо прерывистого режима работы, реле поворотов издают звуковые сигналы в виде щелчков, которые помогают водителю. По этим щелчкам водитель понимает, что устройство функционирует в данный момент.
Помимо того, что прерыватель отвечает за функционирование световой сигнализации, необходимой для маневров, так он еще и позволяет им работать в режиме аварийки. На ВАЗ-2107 применяется электронное реле, частота мигания ламп которого зависит от настройки электронной схемы. Выше представлено фото современного электронного реле поворотов, которое используется на автомобилях ВАЗ-2107.
Диагностика неисправностей поворотников
Если однажды поворотники перестают функционировать, то это говорит о том, что пришло время провести диагностику автомобиля. Для этого нет необходимости ехать на СТО, а можно выполнить все в домашних условиях. О том, что механизм перестал функционировать, говорят следующие признаки:
- При включении поворотники горят, но при этом не происходит их мерцание. Такой вид поломки связан непосредственно с выходом из строя реле. Для исправления неисправности требуется заменить прерыватель.
- Ускоренное или замедленное мерцание поворотников. Ускоренное мерцание говорит о том, что перегорела спираль одной из ламп. Медленное мерцание свидетельствует о том, что в схеме подключена минимум одна лампа большей мощности, чем рекомендуется. Многие автомобилисты с появлением современных светодиодных ламп стремятся установить их на авто. При установке светодиодных ламп в поворотники наблюдается слишком быстрое их мерцание, это связано с их низкой потребляемой мощностью.
- Устройства вовсе не функционируют. Причина может заключаться в неисправности реле, предохранителя, подрулевого переключателя или кнопки включения аварийки. Схема подключения выполнена так, что питание поворотников проходит через кнопку включения аварийки. Если кнопка неисправна, то и повороты не будут функционировать.
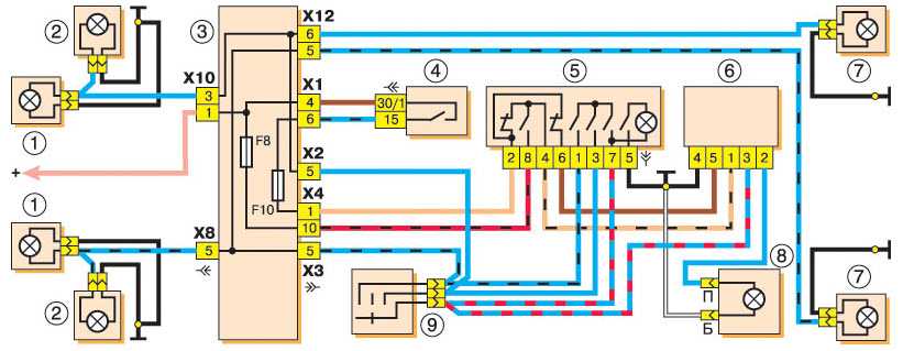
Для наглядности представим схему указателей поворотов и аварийки для семерки. В нее входят:
- блок-фары с лампочками указателей поворота;
- указатели поворота расположенные на передних крыльях авто(боковые);
- монтажный блок;
- замок зажигания;
- кнопка аварийки;
- рассматриваемое реле;
- лампочки поворотников расположенные в задних фонарях;
- лампочка на панели приборов, сигнализирующая о включении поворотов;
- подрулевой переключатель.
Где найти реле на ВАЗ-2107
Где же находится устройство, отвечающее за прерывистое функционирование сигнала поворотов? Располагаться релюшка может в двух местах на ВАЗ-2107: в монтажном блоке пли за приборной панелью.
В карбюраторных «семерках» изделие находится за приборной панелью в салоне автомобиля, а в инжекторных – на монтажном блоке, который находится под капотом. Конструктивно прерыватель представляет собой коробочку с контактами снаружи. Изделие не подлежит ремонту, поэтому при выходе из строя требуется осуществить его замену.
Особенности замены прерывателя
Если обнаружено, что реле поворотов вышло из строя, то требуется осуществить его замену. Изделие, находящееся в монтажном блоке требуется поддеть и демонтировать. Если оно неисправно, в чем обязательно требуется убедиться, то вместо него следует установить новое. Так осуществляется замена для инжекторных “семерок”. Выполнить же замену на карбюраторных «семерках» намного сложнее. Процесс замены выглядит так:
- Нужно снять приборную панель, поддев ее при помощи отвертки.
- После этого пробуем вытянуть ее на незначительное расстояние, если имеется такая возможность. Если длина проводов не позволяет вывести панель на некоторое расстояние, то соединения следует разъединить.
- Отвинтить трос привода спидометра.
- Найти визуально реле, и отсоединить от него контактные провода.
- Также от него отсоединяем «массу» после чего устройство демонтируем.
- Вместо старого прерывателя поворотов следует установить новое реле.
- В завершении собрать и подключить все демонтированные детали в порядке обратном снятию.
Подводя итог, следует отметить, что прерыватель является одним из важнейших узлов каждого автомобиля, и необходимо следить за его исправностью. От него напрямую зависит безопасность дорожного движения.
Видео — Определение неисправностей «поворотов» и аварийки ВАЗ 2106
Распространенные неисправности:
- Лампа не горит, однако реле щелкает и говорит о том, что указатель поворота работает исправно. Скорее всего, лампа просто перегорела и ее необходимо заменить. Чтобы поменять лампочку, открутите крепление фонаря с обратной стороны и отсоедините штекерный разъем.
- Слишком быстрое мигание лампы. Такое может случиться, если выбор лампы по мощности осуществлен неправильно. Также, необходимо провести зачистку контактных соединений, потому что коррозия тоже может стать причиной быстрого мерцания. В исключительных случаях причиной может стать и реле указателей поворотов, которое необходимо будет заменить.
- Лампы указателей поворота горят, но не моргают. Тут проблема кроется в реле указателей поворота. Вероятно, сгорела какая-то часть схемы, и она замкнула на свечение, а не мерцание. В этом случае, реле подлежит замене. То же самое относится и к работе контрольных ламп указателей поворота. Если эти лампы не горят, то реле также подлежит замене.
- Если горит только одна сторона указателей, то необходимо заменить реле, или проверить состояние кнопки аварийной сигнализации. Дело в том, что она имеет группу контактов, настойка которых может быть нарушена. Если это случилось, демонтируйте ее, разберите и проведите настройку контактов. Если контакты прогорели, найдите причину выхода их из строя или замените кнопку целиком. В редких случаях виной может выступать переключатель указателей поворота.
В случае, когда произошел полный отказ указателей, то причин может быть много:
- В первую очередь, проверьте состояние предохранителя. Делать это нужно всегда при обнаружении неисправностей электрооборудования автомобиля. Если он перегорел, то найдите причину его плавления. После ее устранения можно поменять предохранитель и ездить дальше. Если предохранитель целый, то идем дальше.
- Вторая заключается в плохом контакте с кузовом крепления реле указателей поворота. Такая неисправность относится к классическим автомобилям, где крепление данной детали выполнено под приборной панелью. Плохое прилегание контактов реле может быть и в монтажном блоке. Вероятно, произошло окисление или коррозия контактов, которая устраняется путем зачистки поверхности. В конечном итоге, реле могло перегореть, тогда потребуется его замена.
- Третья причина данной неисправности может возникнуть из-за кнопки аварийной сигнализации. Бывали случаи, когда контакты попросту выпадали при езде на большой скорости по неровной дороге. В первую очередь, необходимо проверить состояние самой кнопки: если она отошла, то ее необходимо установить на место. Если же, она находится на своем месте, то проверьте состояние и настройку контактов. Если они находятся в неудовлетворительном состоянии – замените кнопку.
Четвертая причина может коснуться либо переключателя указателей, либо главных питающих проводов. Контакты переключателя, скорее всего, не обеспечивают включение поворотника, в связи с чем, его необходимо заменить.
Вот и все. Это полный список действий на случай, когда поворотники ваз перестали работать. Все вышеперечисленные действия можно выполнить самостоятельно без помощи работников автомастерских.
Блок предохранителей ВАЗ-2107
Блок предохранителей ВАЗ-2107 находится в подкапотном пространстве, справа от двигателя (если смотреть по ходу движения автомобиля). В нём расположены основные предохранители и реле. Чтобы проверить, не сгорел ли какой-то из них, нужно открыть капот и пластиковую крышку блока, на которой должны быть указаны названия предохранителей и их номинальные значения.
R1 — реле включения обогрева заднего стекла. Если обогрев не работает, проверьте данное реле, а также предохранитель F5, замените сгоревшие или неисправные. Если реле и предохранитель рабочие, проверьте контакты подключения проводов к полоскам обогрева на заднем стекле (сбоку ближе к боковым дверям)
Назначение устройства
Изначально следует отметить, что повороты функционируют не так, как прочие световые приборы на автомобиле. Они работают в прерывистом режиме, что обеспечивается посредством такого изделия, как реле(прерыватель) поворотов ВАЗ-2107.
Следует также отметить и тот факт, что помимо прерывистого режима работы, реле поворотов издают звуковые сигналы в виде щелчков, которые помогают водителю. По этим щелчкам водитель понимает, что устройство функционирует в данный момент.
Помимо того, что прерыватель отвечает за функционирование световой сигнализации, необходимой для маневров, так он еще и позволяет им работать в режиме аварийки. На ВАЗ-2107 применяется электронное реле, частота мигания ламп которого зависит от настройки электронной схемы. Выше представлено фото современного электронного реле поворотов, которое используется на автомобилях ВАЗ-2107.
Диагностика неисправностей поворотников
Если однажды поворотники перестают функционировать, то это говорит о том, что пришло время провести диагностику автомобиля. Для этого нет необходимости ехать на СТО, а можно выполнить все в домашних условиях. О том, что механизм перестал функционировать, говорят следующие признаки:
- При включении поворотники горят, но при этом не происходит их мерцание. Такой вид поломки связан непосредственно с выходом из строя реле. Для исправления неисправности требуется заменить прерыватель.
- Ускоренное или замедленное мерцание поворотников. Ускоренное мерцание говорит о том, что перегорела спираль одной из ламп. Медленное мерцание свидетельствует о том, что в схеме подключена минимум одна лампа большей мощности, чем рекомендуется. Многие автомобилисты с появлением современных светодиодных ламп стремятся установить их на авто. При установке светодиодных ламп в поворотники наблюдается слишком быстрое их мерцание, это связано с их низкой потребляемой мощностью.
- Устройства вовсе не функционируют. Причина может заключаться в неисправности реле, предохранителя, подрулевого переключателя или кнопки включения аварийки. Схема подключения выполнена так, что питание поворотников проходит через кнопку включения аварийки. Если кнопка неисправна, то и повороты не будут функционировать.

Для наглядности представим схему указателей поворотов и аварийки для семерки. В нее входят:
- блок-фары с лампочками указателей поворота;
- указатели поворота расположенные на передних крыльях авто(боковые);
- монтажный блок;
- замок зажигания;
- кнопка аварийки;
- рассматриваемое реле;
- лампочки поворотников расположенные в задних фонарях;
- лампочка на панели приборов, сигнализирующая о включении поворотов;
- подрулевой переключатель.
Где найти реле на ВАЗ-2107
Где же находится устройство, отвечающее за прерывистое функционирование сигнала поворотов? Располагаться релюшка может в двух местах на ВАЗ-2107: в монтажном блоке пли за приборной панелью.
В карбюраторных «семерках» изделие находится за приборной панелью в салоне автомобиля, а в инжекторных – на монтажном блоке, который находится под капотом. Конструктивно прерыватель представляет собой коробочку с контактами снаружи. Изделие не подлежит ремонту, поэтому при выходе из строя требуется осуществить его замену.
Не работают поворотники на ВАЗ
В процессе эксплуатации автомобиля, могут появиться неисправности, связанные с электрооборудованием. Одной из таких неприятностей является отказ системы поворотников, обычно это связано с реле указателей. Постараемся рассмотреть, из чего состоит система указателей поворотов, самые распространенные неисправности и ответим на вопрос что делать, если не работают поворотники.
Указатели поворотов являются главной частью безопасности на дороге.
Их применение дает водителям знать о ваших намерениях, чтобы принять соответствующее решение и грамотно сманеврировать. Первые поворотники появились в виде специальных стрелочек, включаемых специальных механизмом и указывающих направление движения автомобиля. После этого, система совершенствовалась и вместо примитивных знаков и указателей, появились первые лампы, которые облегчали работу водителю и в меньшей мере отвлекали его от управления автомобилем. Те поворотники, которые мы привыкли видеть, появились 30-х годах прошлого столетия и применялись в виде специальных ламп, находящихся на крыльях или бампере автомобиля. Со временем, это стало обязательной составляющей любого автомобиля и ее исправность должна поддерживаться в полной мере.
Схема включения указателя поворотов
Прежде чем говорить о неисправностях поворотников, необходимо знать из чего состоит схема указателей поворота. В ее состав входят лампочки, реле указателей поворота, переключатель, предохранитель и кнопка аварийной сигнализации.
Реле является элементом коммутации электрической цепи. Именно оно обеспечивает кратковременное включение и выключение ламп во время работы поворотников. Реле получает информацию о замыкании цепи той или иной стороны указателей от переключателя поворотов и кнопки аварийной сигнализации.
Соответственно, оно замыкает нужную цепь и обеспечивает работу конкретных лампочек. Месторасположение реле может быть различным. На новых автомобилях он ставится в монтажный блок, а, например, на «жигулях» устанавливается за панелью приборов. Там он крепится с помощью специального кольца, прикрученного к кузову автомобиля на гайке. Данное кольцо играет роль «массы» и должно быть всегда зачищено. Также, реле указателей поворота может крепиться и к лонжерону автомобиля.
Лампы являются главным элементом и играют роль того самого указателя. Включение ламп обеспечивается направлением сигналов, выходящих из реле. Схема подключения ламп обеспечена таким образом, что даже если одна из них перегорит, то это никак не повлияет на работу других.
Переключатель указателей поворотов находится на рулевой колонке автомобиля и служит аппаратом управления для водителя. С помощью переключателя можно задавать направление включения указателей поворотов.
Кнопка аварийной сигнализации – обеспечивает включение всех лампочек, входящих в состав поворотников. На контактной группе кнопки происходят соединения всех проводов, в том числе, проводов замка зажигания.
Все элементы схемы соединяются с помощью электрической проводки и корпуса автомобиля (или на народном языке – «массы»).
Предохранитель предназначен для защиты цепи от коротких замыканий. Такое может случиться, если вы случайно замкнули провода, находящиеся в составе схемы или из-за того, что их изоляция недостаточна. Предохранитель имеет плавкую вставку, которая при повышении тока в цепи (сопровождается увеличением температуры проводников) разрывает электрическую схему и защищает цепь от возгорания.
Характер неисправностей поворотников ВАЗ
Зная все компоненты схемы, можно приступать к поиску неисправности. Для начала стоит понимать, что если поворотники вдруг перестали работать, в первую очередь, проверяют соответствующий предохранитель. Чтобы узнать, где он находится, посмотрите на его крышку (обычно там располагаются обозначения) или найдите обозначение в технической литературе автомобиля. Перед проведением ремонтных и диагностических работ обязательно отключите «минусовую» клемму аккумулятора.


















































